Fanar Μηχανική βρύση M24 (D2-111101-0240)

 
87.52 

ή

7.29€ / μήνα για 12 μήνες με άτοκες δόσεις!!!
η προσφορά ισχυεί μόνο για αγορές με πιστωτική κάρτα
5900920085215
4 έως 6 μέρες
+
Σημαντικό: Για παραλαβή από το κατάστημά μας θα πρέπει πρώτα να επικοινωνήσετε τηλεφωνικά μαζί μας προς αποφυγή οποιασδήποτε ταλαιπωρίας.

Περιγραφή

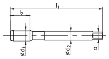
Gwintownik maszynowy M24 (D2-111101-0240)   Charakterystyka: Gwint metryczny zwykły ISO DIN-13 Zastosowanie: do stali konstrukcyjnych węglowych, automatowych i niskostopowych o wytrzymałości Rm  800 MPa Rodzaj materiału: HSSE stal szybkotnąca  Typ otworu: <3d Wykonanie: rowki proste ze skośną powierzchnią natarcia Nakrój: B / 4-5P  Tolerancja: ISO2 (6H)   Zastosowanie: Stal konstrukcyjna węglowa i niskostopowa, staliwo   Dane techniczne: Rozmiar: M24 P: 3mm l1: 160mm l2: 38mm d2: 18mm a: 14,5mm d: 21mm

Χαρακτηριστικά

Μάρκα
:
Fanar