Προσαρμογέας SpiroFlex 60/100 IM

 
77.58 

ή

6.46€ / μήνα για 12 μήνες με άτοκες δόσεις!!!
η προσφορά ισχυεί μόνο για αγορές με πιστωτική κάρτα
5907520928263
4 έως 6 μέρες
+
Σημαντικό: Για παραλαβή από το κατάστημά μας θα πρέπει πρώτα να επικοινωνήσετε τηλεφωνικά μαζί μας προς αποφυγή οποιασδήποτε ταλαιπωρίας.

Περιγραφή

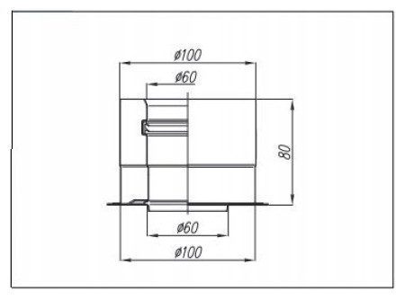
AIM 60/100 Immergas SX-TD60/100 Μετατροπέας AIM Spiroflex Μεσολαβεί στη σύνδεση διαφόρων στοιχείων του συστήματος εξαγωγής-αέρα Τεχνικά στοιχεία Υλικό του εσωτερικού σωλήνα Χάλυβας Υλικό του εξωτερικού σωλήνα Χάλυβας Υλικό του εσωτερικού σωλήνα Μοντέλο Corten. /σχήμα/μορφή Ευθύγραμμο στοιχείο επιθεώρησης Μέγ. μέση θερμοκρασία (συνεχής) 120 °C Υπερπίεση Ναι Υγρά καυσαέρια (π.χ. συμπύκνωμα) Ναι Κενό Ναι Προστασία επιφάνειας του εξωτερικού σωλήνα Ακατέργαστη κατάσταση Διάμετρος σύνδεσης 1 60/100 mm Διάμετρος σύνδεσης 2 60/100 mm Πάχος εσωτερικού σωλήνα 0,5 mm Σύνδεση εξωτερικός σωλήνας / εξωτερικός σωλήνας Υποδοχή με φλάντζα Βάρος 0,341 - kg. ΛΕΠΤΟΜΕΡΕΙΕΣ Victrix (λέβητας συμπύκνωσης) Victrix Superior Top (λέβητας συμπύκνωσης) Victrix Zeus (λέβητας συμπύκνωσης) Victrix Zeus Superior (λέβητας συμπύκνωσης) Hercules Συμπύκνωσης (λέβητας συμπύκνωσης) Hercules Solar (λέβητας συμπύκνωσης)

Χαρακτηριστικά

Μάρκα
:
SpiroFlex